Добрый день.
Продолжаем сборку усилителя на основе "Кристалла". Но прежде чем изготовить элементы шасси, необходимо решить один вопрос. Нужны ли под радиаторами отверстия для забора холодного воздуха, или можно обойтись без них?
Для того чтобы ответить на этот вопрос, сравним нагрев транзистора на одном и том же радиаторе в двух режимах.
1. Радиатор стоит на поверхности, и забор воздуха снизу перекрыт.
2. Радиатор поднят над поверхностью, и забор воздуха снизу свободный. Это состояние имитирует ситуацию когда под радиатором есть вентиляционное отверстие.
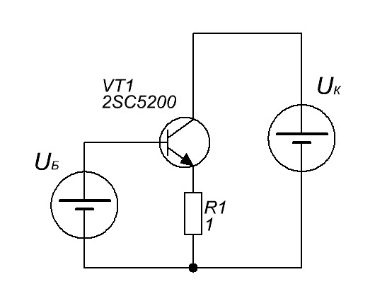
Греть транзистор будем в простой схеме.
Коллекторное (Uк) и базовое (UБ) напряжения подам с лабораторного источника питания. Базовое напряжение устанавливает коллекторный ток. А он вместе с коллекторным напряжением определяет мощность рассеиваемую транзистором (а значит и радиатором).
Для измерения температуры взял обычный мультитетстер с термопарой. Точностью измерения он похвастаться не может, тем не менее, абсолютная ошибка измерения во всем диапазоне практически неизменная. Поэтому изменения температуры тестер измерит достаточно точно.
Коллекторное (Uк) и базовое (UБ) напряжения подам с лабораторного источника питания. Базовое напряжение устанавливает коллекторный ток. А он вместе с коллекторным напряжением определяет мощность рассеиваемую транзистором (а значит и радиатором).
Для измерения температуры взял обычный мультитетстер с термопарой. Точностью измерения он похвастаться не может, тем не менее, абсолютная ошибка измерения во всем диапазоне практически неизменная. Поэтому изменения температуры тестер измерит достаточно точно.
Шаг 1. Радиатор стоит на плоскости.
Прикрутил к радиатору транзистор, подсунул под шайбу термопару, подложил под радиатор кусок МДФ (ну не портить же стол), подключил источник питания.
Выставил рабочий ток (1 А) и напряжение (30 В)
и пошел пить чай, пока радиатор медленно и неуклонно нагревался... Через сорок минут температура транзистора установилась на 88 градусах (начальная была 28 градусов). Т.е. перегрев составил 60 градусов.
Система греется примерно на 2 градуса на каждый ватт мощности. Этот параметр характеризует эффективность теплоотвода.
Шаг 2.
Ничего не выключая и не перенастраивая, подложил под боковые ребра пару коробочек (думаю это простительно для эксперимента "на коленке"). Расстояние над поверхностью составило 18 мм.
Опять пришлось ждать. Радиатор медленно остывал, и через некоторое время температура опустилась до 85 градусов:
Перегрев составил 57 градусов, а коэффициент связывающий мощность и температуру: 1.9 градуса на ватт. Система стала эффективнее на 5%. Это не много, но все же.....
Итог:
Прирост эффективности системы охлаждения на 5% "погоды не делает". Но если эффекта можно достигнуть без существенного усложнения конструкции, то почему бы это не сделать? Я просто добавлю окна под радиаторами в основание модуля усилителей. Получится система как на картинке (вид сбоку):
С радиаторами все ясно. Можно делать элементы шасси.
С уважением, Константин М.
Примечание: хочу отметить, что результаты эксперимента сильно зависят от конфигурации радиатора. Можно предположить что чем глубже ребра радиатора и чем меньше расстояние между ними, тем большее изменение эффективности системы можно будет наблюдать.
Примечание: все измерения актуальны для радиатора, установленного в открытом пространстве. Внутри закрытого корпуса важность вентиляции радиатора снизу может быть на много выше. Особенно если в корпусе нет достаточного количества боковых вентиляционных окон.
Собираем усилитель из "кристаллов". Компоновка - короткая запись о компоновке усилителя из "Кристаллов" на шасси.






Комментариев нет:
Отправить комментарий